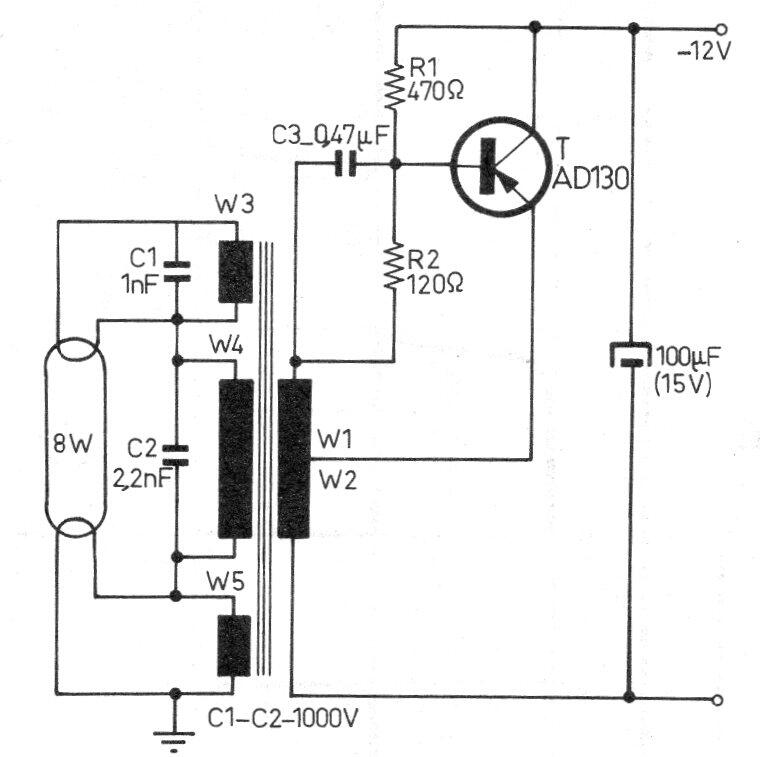
Inversor fluorescente (CIR12353S)
Este circuito tiene como componente crítico el transformador que tiene bobinados de baja tensión para los filamentos de calentamiento. El circuito es para fluorescentes de 8 a 12 W y su potencia es de 12 V. Se pueden utilizar transistores equivalentes que deben estar equipados con disipadores de calor.




