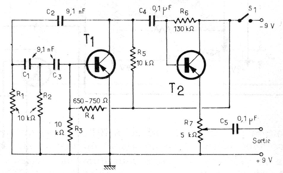
Este oscilador es de una publicación europea de los años 80. La señal generada es de baja frecuencia sinusoidal determinada por los capacitores de la red de retroalimentación que forma un desplazador de fase. Los transistores se pueden usar comúnmente como BC558. El circuito tiene un control de intensidad para la señal de salida.




