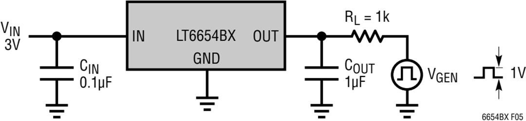
Este circuito se encontró en un manual de dispositivos analógicos y puede suministrar una corriente de 3 mA o drenar una corriente de 10 mA. La caída de tensión es de solo 120 mV. El voltaje de entrada es de 3 V. En la versión indicada, la tensión de referencia es de 2.5 V.




