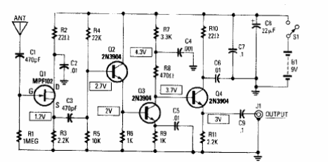
El rango operativo de este circuito es de 10 kHz a 30 MHz. Se pueden utilizar transistores equivalentes. El circuito es de un Poptronis. La antena puede ser recta tipo 1.5 a 3 metros de largo. La alimentación se puede hacer con batería, dado el bajo consumo.

Antena activa de 4 transistores



