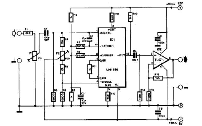
Este circuito duplica la frecuencia de una señal de audio que impide el reconocimiento de voz. CI es poco común hoy y se puede encontrar equivalente, ya que es una serie de transistores. El circuito se obtuvo de una electrónica práctica de los años 90.




