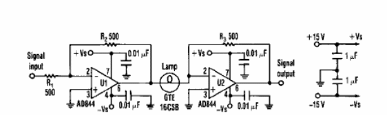
Este circuito se encontró en un diseño electrónico de los años 90. Aprovecha las características de no linealidad de una lámpara para efectos de compresión. Los amplificadores operacionales pueden ser reemplazados por equivalentes modernos. La fuente de alimentación debe ser simétrica.

Compresor de audio y amplificador



