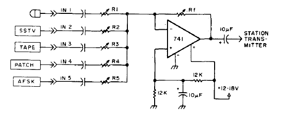
Este circuito fue diseñado originalmente para aplicaciones de comunicaciones. Lo encontramos en una documentación para aficionados de la década de 1980. Los condensadores pueden ser de 100 nF y los trimpots de 100 k ohms.

Mezclador con el 741
Este circuito fue diseñado originalmente para aplicaciones de comunicaciones. Lo encontramos en una documentación para aficionados de la década de 1980. Los condensadores pueden ser de 100 nF y los trimpots de 100 k ohms.
