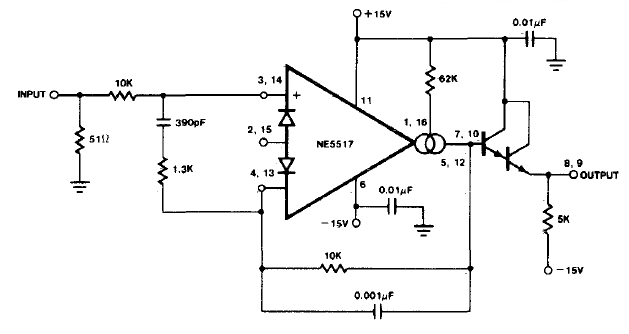
Seguidor de tensión (CIR12499S)
En un seguidor de tensión la ganancia es unitaria. La impedancia de entrada es muy alta y la impedancia de salida muy baja. Este circuito, de la documentación de los años 80, utiliza un funcionamiento inusual hoy en día. El circuito se puede aplicar a equivalentes modernos.

Seguidor de tensión



