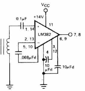
Encontramos este preamplificador para cabezas de grabación en una documentación de la década de 1980. El circuito se puede usar para la recuperación de medias. Los dos números en cada pino activo corresponden a los dos canales del CI.

Pre con ecualización NAB



