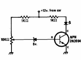
Este circuito de automóvil se encontró en una publicación de circuitos estadounidense de los años 80. El transistor puede ser de propósito general y el ajuste del punto de activación se realiza en el trimpot.

Monitor de batería
Este circuito de automóvil se encontró en una publicación de circuitos estadounidense de los años 80. El transistor puede ser de propósito general y el ajuste del punto de activación se realiza en el trimpot.
