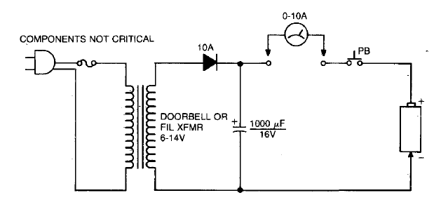
El propósito de este circuito que se encuentra en una documentación estadounidense de la década de 1980 es producir un pulso de corriente para recuperar las baterías en cortocircuito. El circuito utiliza un transformador de 10 A y el pulso debe ser de muy corta duración.

Recuperador de batería NiCad



