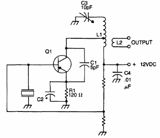
Los condensadores de este circuito de los 80 deben ser cerámicos y el transistor puede ser cualquier PNP que oscile a la frecuencia deseada. La bobina debe estar de acuerdo con la frecuencia de la señal producida.

Oscilador de cristal em sobretom
Los condensadores de este circuito de los 80 deben ser cerámicos y el transistor puede ser cualquier PNP que oscile a la frecuencia deseada. La bobina debe estar de acuerdo con la frecuencia de la señal producida.
