Encontramos este circuito en un manual estadounidense de los años 80. El circuito se puede implementar con un operacional más moderno, incluidos los tipos de baja tensión. La fuente de alimentación debe ser simétrica.

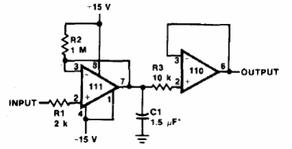
Detector de pico negativo
Encontramos este circuito en un manual estadounidense de los años 80. El circuito se puede implementar con un operacional más moderno, incluidos los tipos de baja tensión. La fuente de alimentación debe ser simétrica.
