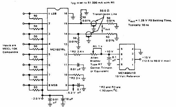
Este convertidor de 8 bits se encontró en una documentación estadounidense de la década de 1980. Los componentes de Motorola son poco comunes hoy en día. El circuito sirve como referencia.

Convertidor digital a analógico de alta velocidad
Este convertidor de 8 bits se encontró en una documentación estadounidense de la década de 1980. Los componentes de Motorola son poco comunes hoy en día. El circuito sirve como referencia.
