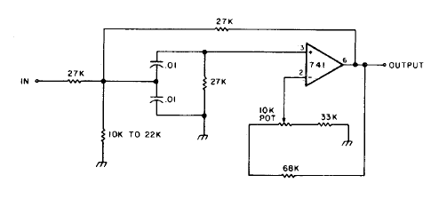
Este filtro de paso de rango variable se encontró en una documentación estadounidense de la década de 1980. La fuente debe ser simétrica y el rango con los valores indicados se centra en 800 Hz con un ajuste en un rango de aproximadamente 350 Hz.

Filtro de paso de banda activo variable 741



