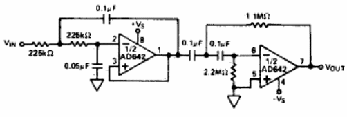
Este filtro deja pasar un rango de 0.1 a 10 Hz. Lo encontramos en una documentación de la década de 1980, pero se puede construir en amplificadores operacionales modernos. La fuente de alimentación debe ser simétrica.

Filtro de paso de muy baja frecuencia



