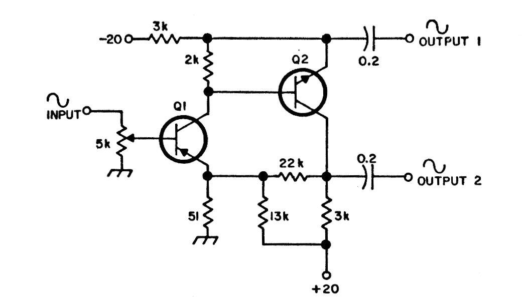
A partir de una señal de audio, este circuito fornece dos señales de la misma amplitud y fases opuestas. Esta configuración es ampliamente utilizada en amplificadores de puente (BTL). Los transistores pueden usarse comúnmente como series BC.
A partir de una señal de audio, este circuito fornece dos señales de la misma amplitud y fases opuestas. Esta configuración es ampliamente utilizada en amplificadores de puente (BTL). Los transistores pueden usarse comúnmente como series BC.