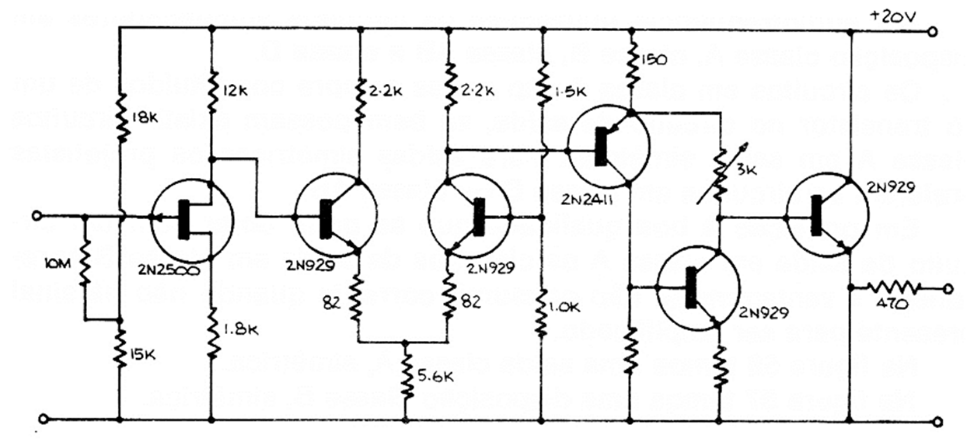
Este circuito amplificador de señales pequeños y de alta ganancia se encontró en una publicación antigua sobre transistores. Los transistores pueden ser de tipo general y de entrada FET BF245. El circuito tiene una alta impedancia de entrada y la tensión de alimentación es relativamente alta.




