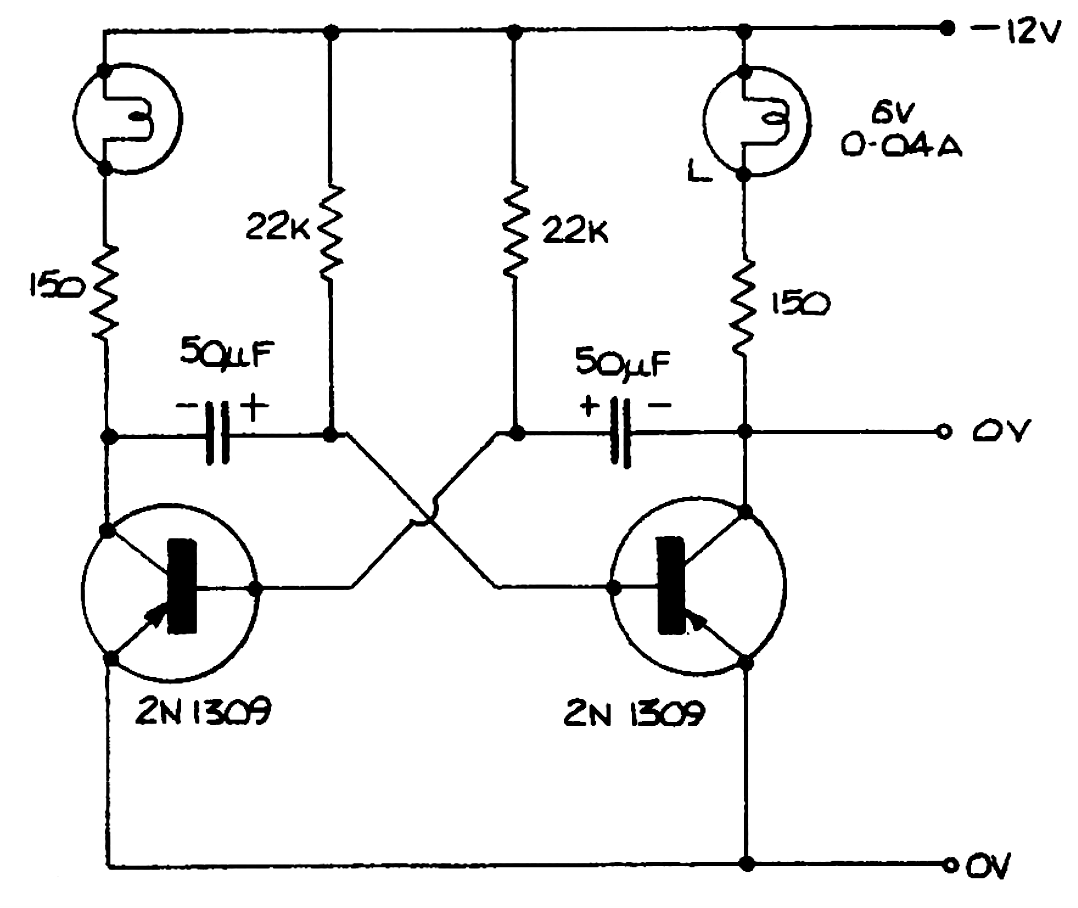
Este intermitente alterno se encontró en una documentación de la década de 1980. Los transistores pueden ser equivalentes al BC558 y se pueden usar LED en lugar de lámparas. Los capacitores pueden tener valores entre 10 y 100 uF de acuerdo con la frecuencia deseada.




