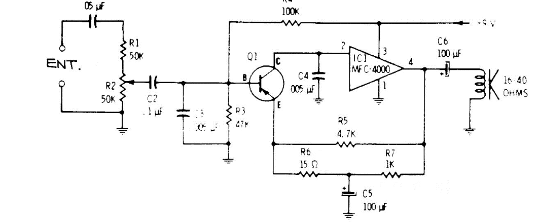
Este seguidor de señales de los años 80 utiliza un amplificador de audio de la época. El circuito se puede adaptar para usar un amplificador moderno como el TDA7052 u otro. El transistor puede ser el BC558. El circuito es para señales de audio.
Este seguidor de señales de los años 80 utiliza un amplificador de audio de la época. El circuito se puede adaptar para usar un amplificador moderno como el TDA7052 u otro. El transistor puede ser el BC558. El circuito es para señales de audio.