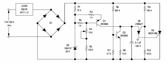
El propósito de este regulador es regular la tensión RMS en una carga de corriente alterna. El circuito se encontró en una documentación de ON Semiconductor de los años 80. Los componentes de potencia deben tener características compatibles con la carga controlada. El circuito mantiene una tensión fija de 90 V a una carga en la línea de 110 V.

Regulador de tensión com PUT y SCR



