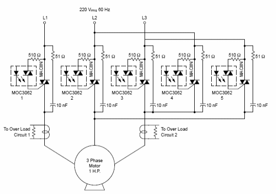
En la figura tenemos la manera de hacer el control trifásico de un motor usando opto-diacs. El circuito es la base de un shield de control con microcontroladores. El circuito también tiene características de detección de sobrecarga. Lo encontramos en un manual de semiconductores de los años 80.

Control de fase con Triac



