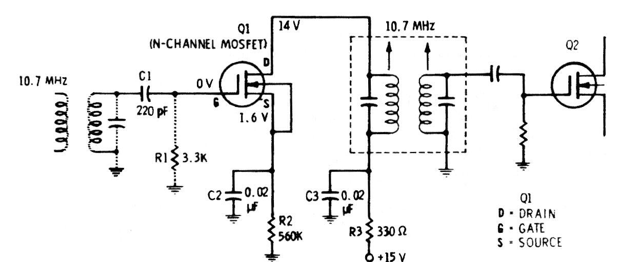
En la figura tenemos un paso de amplificador FI usando un MOSFET. El circuito se encontró en una documentación de la década de 1980, destinada a receptores de FM de la época.
Este clock simple se puede usar para generar señales de hasta 100 kHz, dependiendo del cristal. Lo...
Este circuito sincronizado por la red eléctrica puede usarse como un shield. Lo encontramos en una...
Este sofisticado circuito con dos amplificadores operacionales LF411 apareció en la revista Radio...