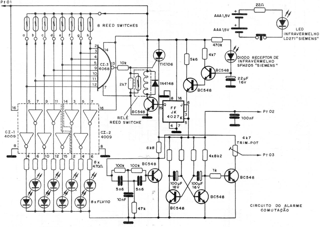
Este circuito de alarma doméstica se obtuvo en una publicación de 1991, pero todavía está actualizado para los componentes que usa. Los sensores son de tipo reed y funcionan con una batería de 12 V que puede tener un sistema de recarga permanente. El circuito también se reinicia a través de un pequeño emisor infrarrojo alimentado por batería. La fuente de este circuito se da en CIR11733S y una sirena en CIR11734S.




