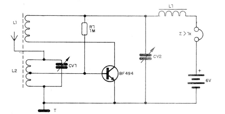
Este circuito simple para el rango de onda media se encontró en una documentación de la década de 1990. El circuito utiliza un auricular magnético de alta impedancia y el transistor admite equivalente. L1 tiene 100 vueltas 28 de alambre en una barra de ferrita con enchufe en el circuito 20 y L2 consta de 20 vueltas en L1. La dirección del devanado de cada bobina es importante.




