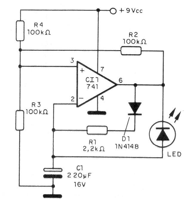
Este circuito tiene una corriente de funcionamiento muy baja. La frecuencia de los flashes está determinada por C1, que se puede cambiar en una amplia gama de valores. La alimentación no necesita ser simétrica y puede tener tensiones de 9 a 12 V.

Indicador LED de baja potencia



