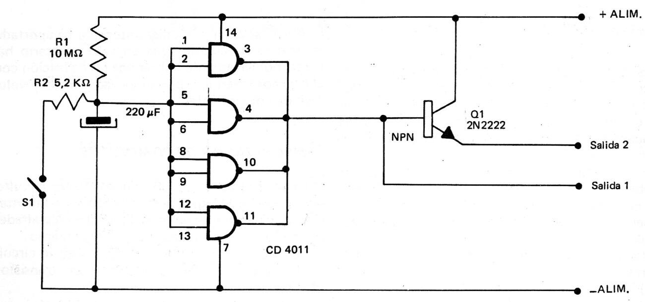
Las salidas de este temporizador o la configuración del temporizador CMOS con el 4011 integrado se pueden conectar a relé, solenoide, etc. El 4001 también se puede usar ya que sus puertos también se pueden cablear como inversores. La fuente de 3 a 12 V depende de la aplicación.




