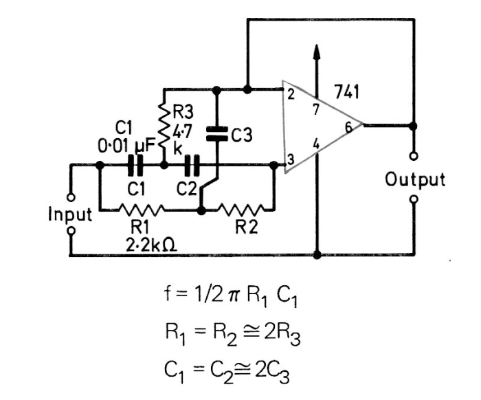
Se pueden utilizar otros amplificadores operacionales en este filtro convencional que rechaza solo una frecuencia. Los componentes se calculan mediante las fórmulas al lado del diagrama y la tensión de alimentación puede estar entre 6 y 15 V. Para otros operacionales más modernos, la tensión puede ser menor.




