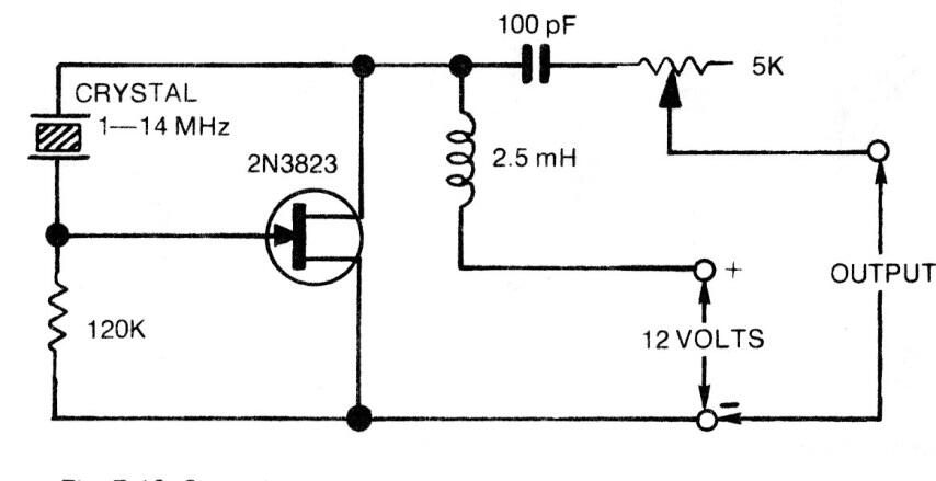
Esta configuración típica de oscilador de cristal puede generar señales de hasta unas pocas docenas de megahertz dependiendo del transistor utilizado. La potencia realmente depende del transistor utilizado. Se pueden usar FET equivalentes como BF245.




