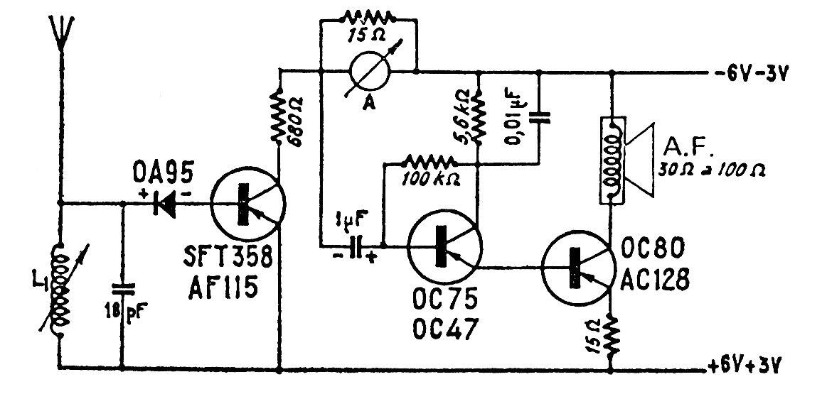
Este circuito es de una documentación de los años 70. Los transistores son tipos de germanio de la época y la bobina consta de 15 vueltas de 28 cables de 5 mm sin núcleo. Los transistores equivalentes pueden ser probados.
Este circuito es de una documentación de los años 70. Los transistores son tipos de germanio de la época y la bobina consta de 15 vueltas de 28 cables de 5 mm sin núcleo. Los transistores equivalentes pueden ser probados.