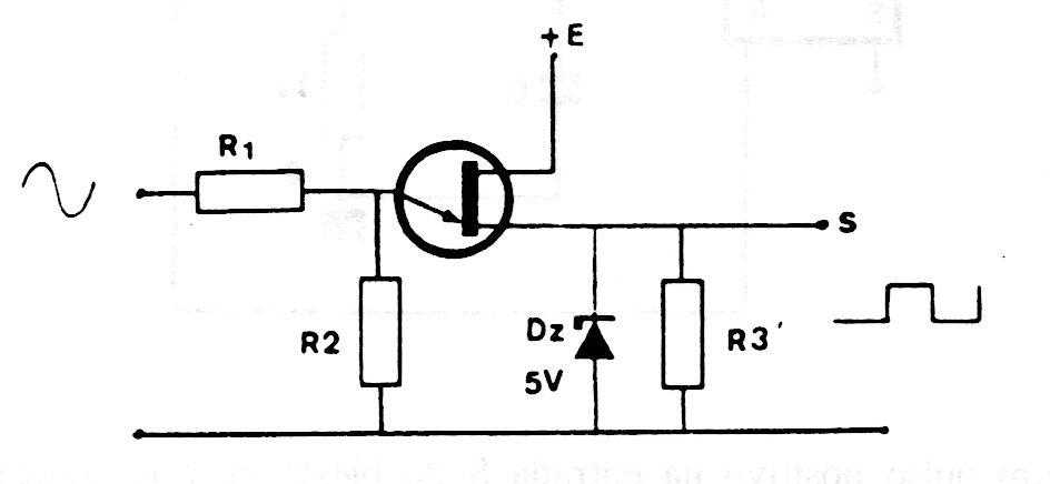
Encontramos este circuito en un manual de componentes de los años 80. R1 tiene valores entre 1k y 10k. R1 tiene valores entre 2.2k y 22k. R3 generalmente tiene valores entre 10 ohms y 1k. El transistor unijuntura puede ser 2N2646 y la fuente de alimentación tiene tensiones de 6 a 15 V.




