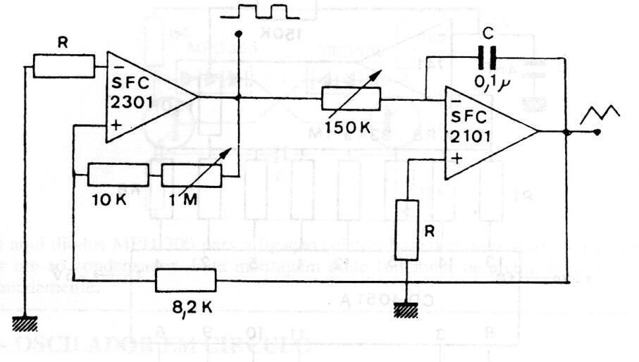
Los operacionales utilizados en este circuito no son muy comunes hoy en día, pero el mismo circuito se puede implementar con operacionales más modernos. El resistor R determina la frecuencia junto con C y el suministro debe hacerse con una fuente simétrica. El circuito genera señales rectangulares y triangulares.




