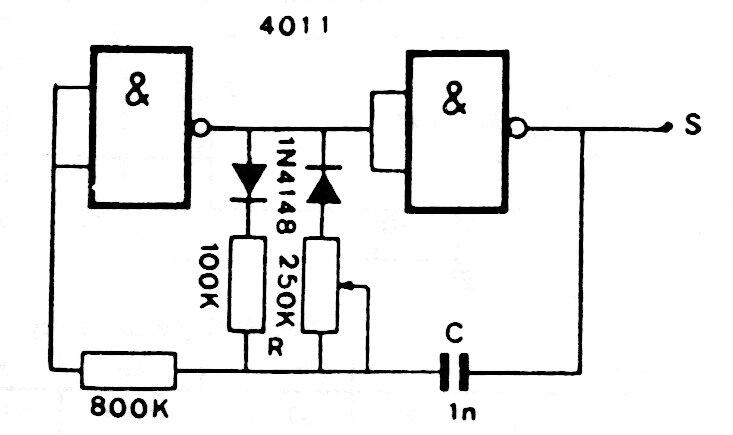
Esta es una configuración CMOS tradicional que se encuentra en otros artículos en esta sección y en este sitio. Los diodos se usan comúnmente y la frecuencia depende del condensador. El potenciómetro ajusta el espacio entre los pulsos y la fuente de alimentación puede ser típicamente de tensiones de 3 a 15 V.




