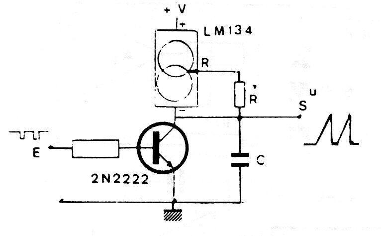
El circuito integrado LM134 no es muy común hoy en día. Este circuito genera rampas lineales de baja frecuencia y se encontró en una documentación técnica de la década de 1980. La resistencia depende de la intensidad de la señal de comando que generalmente varía de 1k a 10k.




