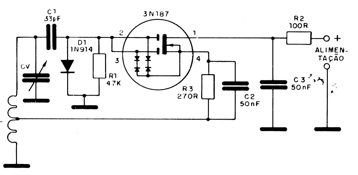
Este circuito utiliza un MOSFET de doble puerta que actualmente no es muy fácil de obtener. Su manejo es muy delicado y la bobina depende de la frecuencia a generar. El circuito alcanza varias docenas de megahertz.

 

Oscilador de RF con MOSFET
Oscilador de RF con MOSFET | Haga click en la imagen para ampliar |