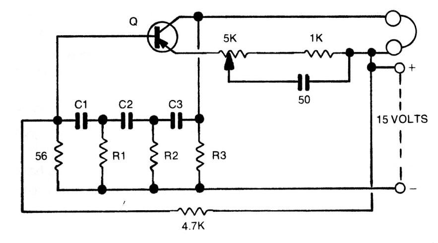
En la figura tenemos otra configuración para un oscilador de cambio de fase con un transistor. El transistor puede ser de cualquier propósito general y capacitores que determinan la frecuencia de 10 nF a 100 nF. Los resistores sin valor son 10 k ohms.




