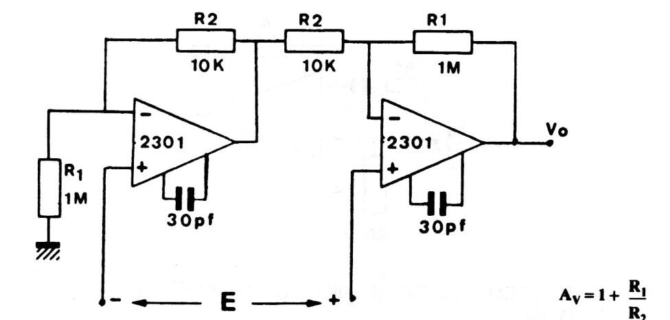
Esta configuración de amplificador de instrumentación de dos operacionales se encontró en un manual de circuito de los años 80. El circuito debe tener una fuente de alimentación simétrica como la utilizada para otros tipos, y la ganancia está dada por la relación de valores entre los resistores.




