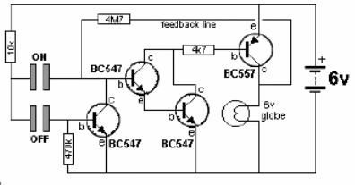
Este sencillo circuito táctil de acción biestable acciona una pequeña lámpara de 6 V (50 mA). Sin embargo, en lugar de la lámpara, podemos usar un relé sensible de 6 V para controlar las cargas externas. El circuito es de una publicación de transistores estadounidense.

Interruptor de toque de 4 transistores



