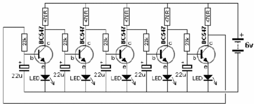
Este circuito funciona según el mismo principio que el anterior, pero su diferencia es la forma en que los LED están excitados. En él, los LED están conectados al emisor de cada transistor. Los valores del capacitor determinan la velocidad del efecto.

Secuencial de 6 LED 2



