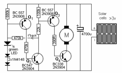
En la figura, tenemos un circuito para conducir un pequeño motor de CC desde celdas solares de al menos 3 V. El motor es de baja potencia (100 mA) y tiene una regulación de corriente para mantener la velocidad casi constante.

Foto motor Motor Drive
En la figura, tenemos un circuito para conducir un pequeño motor de CC desde celdas solares de al menos 3 V. El motor es de baja potencia (100 mA) y tiene una regulación de corriente para mantener la velocidad casi constante.
