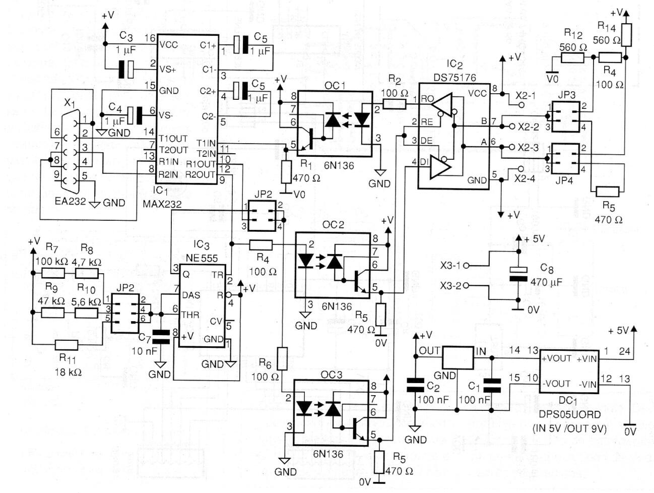
Este circuito (2009) tiene control de controlador a través de la señal RTS o en modo automático a través del oscilador monoestable a velocidades de 9600, 19200 y 56 kbps. Selección de terminal activa / pasiva. Al recibir datos a través del puerto serie EIA232, MAC232 los convierte a niveles TTL que pueden ser interpretados por los otros circuitos integrados. El siguiente paso es la activación del controlador EIA485 (CI 75176), que se realiza automáticamente mediante el temporizador con el 555 o mediante la señal RTS en serie. El circuito integrado 75176 funciona como un convertidor bidireccional EIA485 y TTL. Para la recepción de datos, sus pines 2 y 3 deben estar en el nivel lógico bajo, mientras que para la transmisión deben permanecer en el nivel lógico alto. Cuando no está transmitiendo, el controlador debe permanecer configurado como un receptor, y después de cada transmisión, los pines 2 y 3 se configuran nuevamente en un nivel lógico bajo. Si se recibe algún dato, se convierte inmediatamente de los niveles EIA585 a TTL y luego a los niveles EIA232. Además de los convertidores y el temporizador, el circuito tiene tres acopladores ópticos 6N136, que son responsables de aislar entre las señales EIA232 y EIA485. Este modelo de acoplador óptico tiene una velocidad de conmutación más alta, lo que garantiza una buena comunicación incluso a velocidades más altas, como 56 kbps. El circuito también utiliza el convertidor DD-DC DPS05U09D, que convierte 5V a 9V, aislando la entrada y la salida, y un regulador de voltaje 7805 para asegurar una alimentación de 5V separada entre el EIA232 y el EIA485. En lugar del convertidor DC-DC, también se pueden usar dos fuentes separadas para garantizar el aislamiento.




