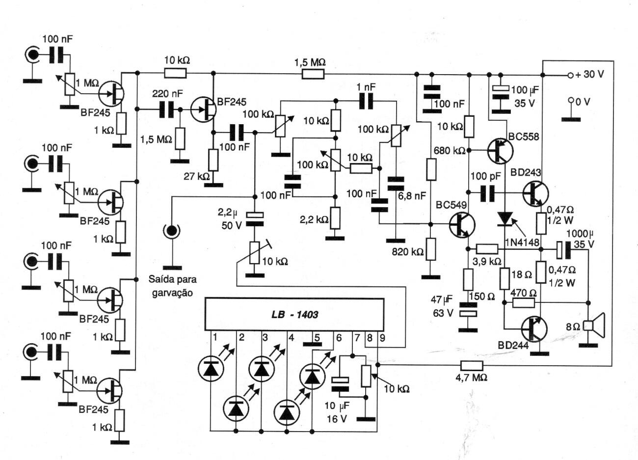
Encontramos este proyecto en una documentación de 2002. El amplificador de transistores tiene una potencia de unos pocos watts con excelente calidad de sonido. Los transistores de salida deben montarse en disipadores de calor y el circuito, además de la VU, incluye un control de tono.




