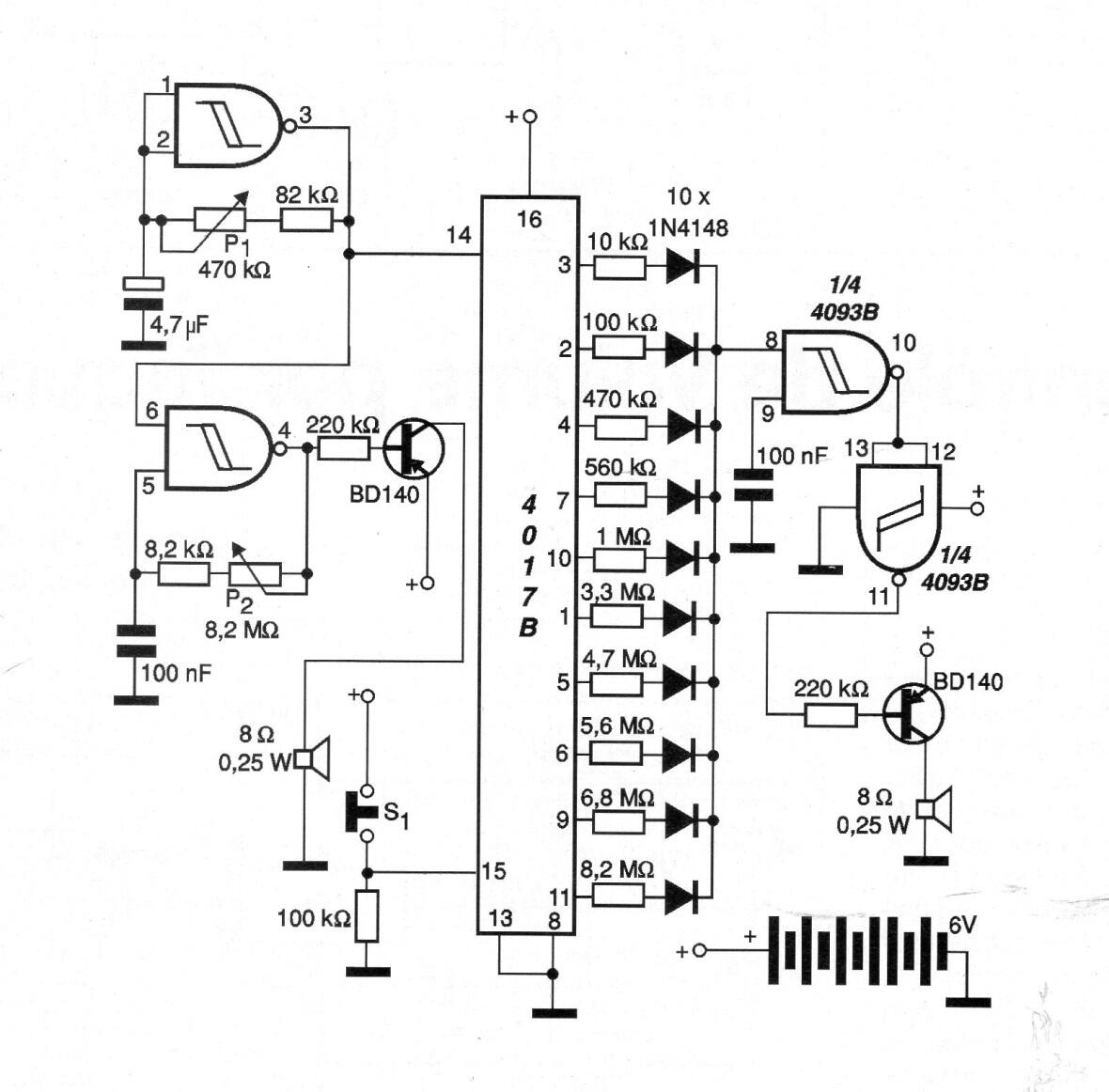
Encontramos este circuito en una documentación de 2002. La frecuencia de cada nota está determinada por las resistencias en las salidas 4017. El circuito puede ser alimentado por voltajes de 5 a 12 V y los transistores de potencia deben estar equipados con disipadores de calor. La velocidad del efecto se ajusta en los trimpots.




