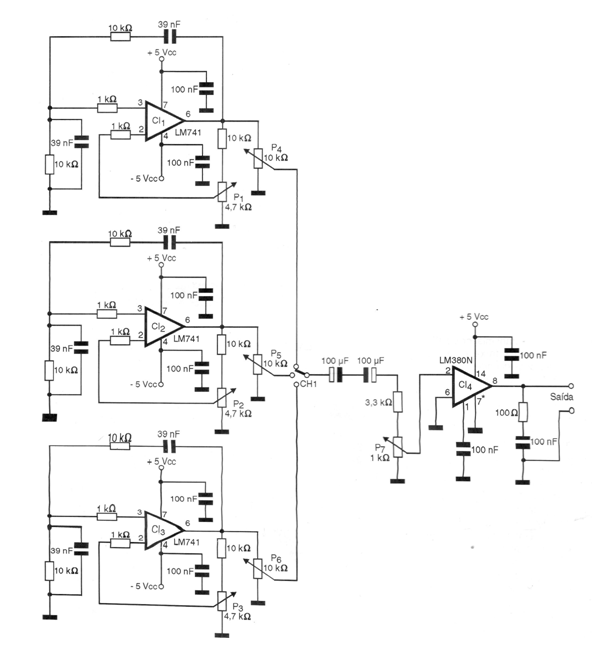
Este circuito se obtuvo de una documentación de 1998. Es un pequeño generador de señal de baja frecuencia con tres osciladores. Las señales del oscilador pueden seleccionarse mediante un interruptor y hay un circuito amplificador que permite su aplicación externa a un equipo de prueba. El circuito está alimentado por una fuente simétrica de 5 V o más (hasta 12 V). Las frecuencias se ajustan en los potenciómetros P1 a P3.




