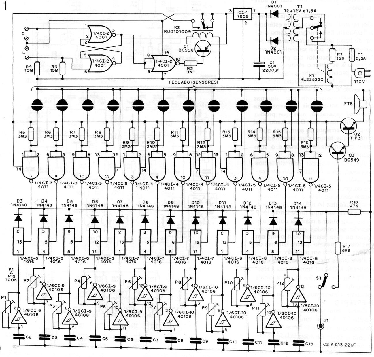
Encontramos este circuito que hace uso de la tecnología CMOS en una publicación de 1988. El circuito tiene osciladores independientes para cada nota, así como afinación o afinación. Los capacitores C2 a C13 determinan la frecuencia de cada nota; El circuito también incluye conmutación automática de la tensión de alimentación y un pequeño amplificador de potencia incorporado. El TIP31 de este amplificador debe estar equipado con un disipador de calor. Las teclas son de tipo esponja conductora que juegan los sectores de placa conductora para cada nota.




