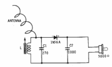
Este circuito de radio de cristal tradicional, pero con la versión moderna de diodo, se encontró en una revista italiana Sperimentare de 1977. El teléfono también puede ser de cristal y la bobina consta de 100 vueltas de cable 28 en un tubo que puede deslizarse sobre un palo De ferrita para realizar la puesta a punto. La antena debe ser muy larga.

Radio Cristal



