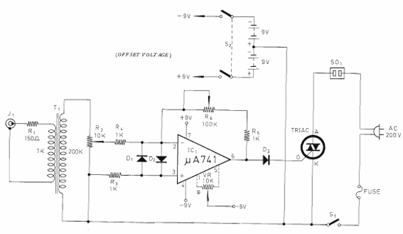
El circuito que se muestra a continuación se obtuvo de una revista italiana Sperimentare de 1977. Todos los componentes son comunes y el transformador de entrada puede ser un transformador de potencia primario de 110 V y secundario de 6 a 12 V y corriente de 200 mA a 800 mA que se conectará a R1. El triac puede ser cualquiera de las series TIC.

Luz Rítmica con el 741 y el Triac



