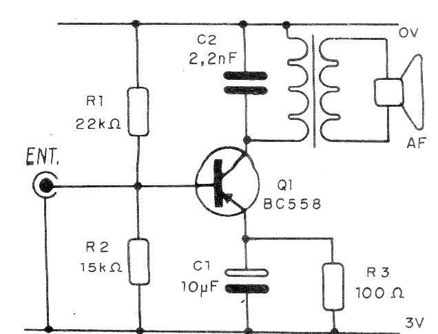
Podemos usar el circuito que se muestra a continuación, obtenido en una documentación de 1992. Para hacer un auricular de baja impedancia o un altavoz pequeño en un auricular de alta impedancia. El circuito utiliza un transistor de salida de radio transformador y una etapa de amplificación con un transistor de propósito general. La potencia se puede hacer con una tensión de 3 V obtenida de 2 baterías pequeñas.




