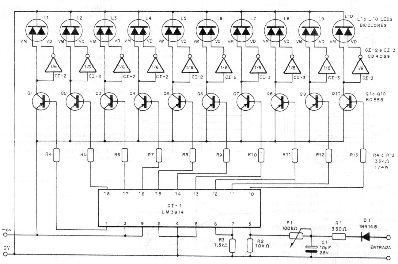
Basado en el conocido LM3914, este circuito tiene una etapa transistorizada e inversores que activan LED bicolores. El circuito se puede alimentar con una tensión de 6 a 12 V y el ajuste del punto de operación se realiza en P1.

 

VU de LED Bicolores
VU de LED Bicolores | Haga click en la imagen para ampliar |