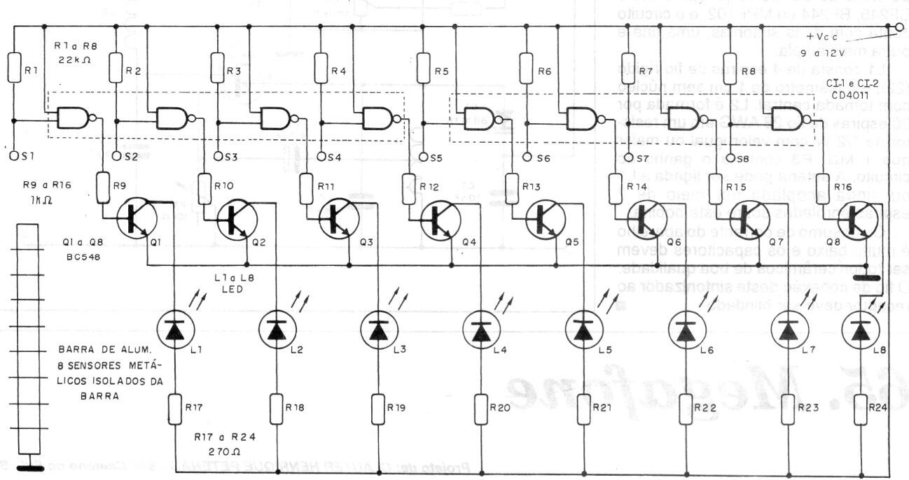
Este circuito es de una documentación de 1992, pero aún está vigente debido a su utilidad y los componentes que utiliza. Los sensores son cables pelados en varios niveles en una caja de agua. El circuito debe ser alimentado por una fuente aislada y los cables para los sensores no deben ser demasiado largos. La alimentación debe suministrarse con tensiones de 6 a 12 V.




